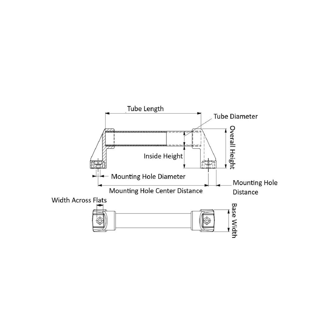
Item Code | Width Across Flats | Color | Inside Height | Tube Diameter | Thread Size | Overall Length | Handle Material | Mounting Hole Diameter | Handle Type | Bar End Material | Mounting Hole Center Distance | Overall Height | Base Width | Tube Length | Mounting Hole Distance | Handle Shape | Mount Type | Request Quote |
|---|---|---|---|---|---|---|---|---|---|---|---|---|---|---|---|---|---|---|
187900 | 13.5 mm | Black | 45.0 mm | 30.0 mm | Non Threaded | 916.5 mm | Steel | 8.5 mm | Tubular Handle | Nylon | 900.0 mm | 80.0 | 46.0 | 969.0 mm | 16.5 mm | Round Bar | Front Install Counterbored Through Hole |
Width Across Flats
13.5 mm
Color
Black
Inside Height
45.0 mm
Tube Diameter
30.0 mm
Login or register to benefit from the advantages of Essentra Components.

Global Expertise, Local Support
70 years of global expertise, with local Vietnamese technical support to meet your technical needs.

Free CAD Files
Download 2D/3D CAD models directly to speed up your design process and reduce engineering time.